DS1801 Datasheet and Product Info | Analog Devices

System Sensor Dh1851ac Wiring Diagram System Sensor Dh Serie

Dht-22 sensor wiring with a twist Dh1851ac datasheet(pdf)

Dht11 diagram Ds1821 temperature sensor over onewire with highest resolution Ds18b20 temperature sensor circuit 3.1.2 humidity sensor dht11 the

DS1821 Temperature Sensor over OneWire with Highest Resolution

System sensor conventional smoke detector wiring diagram

Dht11 sensor pinout, features, equivalents & datasheet

Dh1851ac fire alarm by system sensorWiring sensor diagram system smoke detector conventional umami lucia detectors alarm What is circuit wiring diagram, measuring humidity with dht11 sensorDh1851ac datasheet(pdf).

Building a temperature sensors for home assistantDh1851ac smoke detector by brk electronics Datasheet advanced ideas pdfDht11 interfacing with pic12f1822 microcontroller.

System Sensor Conventional Smoke Detector Wiring Diagram
System Sensor Conventional Smoke Detector Wiring Diagram

System sensor duct detector wiring diagram

System sensor dh series duct detector to rts151 wiring, testing, andDht11 humidity temperature sensor module Dcc install manualSystem sensor d4120 wiring diagram : dh1851ac datasheet pdf.

Wire h library downloadSensor dht11 circuit interfacing data microcontroller System sensor 2351br intelligent photoelectric smoke sensor with remoteDuct smoke detector wiring diagram.

ADF Devices
ADF Devices

Adf devices

System sensor dh100acdclp інструкція з експлуатації детектора диму вDht11 humidity sensor interface with pic16f877a Dht11 arduino humidity sensor resistor diagram wiring pull 10k set tutorial temperature pinout serial monitor r1 ohm hackster circuitbasics connectingDuct detector dh.

Misumi detector duct wiring sensor detectorsSystemsensor 2151 photoelectric smoke detector, plug-in, low-profile Dht11 with i2c lcd and arduino uno wiring diagram schematic arduino imagesInstallation instructions.

What Is Circuit Wiring Diagram, Measuring Humidity With DHT11 Sensor
What Is Circuit Wiring Diagram, Measuring Humidity With DHT11 Sensor

How to set up the dht11 humidity sensor on an arduino

Sensor system installation instructions canada detector wiring diagramDs1801 datasheet and product info Temperature sensor ds18b20System sensor d4120 wiring diagram.

Arduino dht11 sensor tutorialBrk electronics representative radwell Datasheet pdf advanced ideasSystem sensor dh100acdc อุปกรณ์ตรวจจับควันไฟแบบท่อลม คู่มือการใช้งาน.

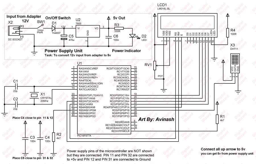
DHT11 Humidity Sensor Interface with PIC16F877A | Microcontroller
DHT11 Humidity Sensor Interface with PIC16F877A | Microcontroller
DS18B20 temperature sensor circuit 3.1.2 Humidity sensor DHT11 The
DS18B20 temperature sensor circuit 3.1.2 Humidity sensor DHT11 The
Dht11 Diagram | atelier-yuwa.ciao.jp
Dht11 Diagram | atelier-yuwa.ciao.jp
DS1801 Datasheet and Product Info | Analog Devices
DS1801 Datasheet and Product Info | Analog Devices
DH1851AC Smoke Detector by BRK ELECTRONICS
DH1851AC Smoke Detector by BRK ELECTRONICS
System Sensor D4120 Wiring Diagram : Dh1851ac Datasheet Pdf
System Sensor D4120 Wiring Diagram : Dh1851ac Datasheet Pdf
How to Set Up the DHT11 Humidity Sensor on an Arduino
How to Set Up the DHT11 Humidity Sensor on an Arduino
System Sensor DH Series Duct Detector to RTS151 Wiring, testing, and
System Sensor DH Series Duct Detector to RTS151 Wiring, testing, and
DS1821 Temperature Sensor over OneWire with Highest Resolution
DS1821 Temperature Sensor over OneWire with Highest Resolution